工程师生病了怎么办?自己做电路给自己测:ECG与心脏早搏
作为一名硬件工程师,工作压力大导致失眠和作息不规律,身体健康也受到了影响。心脏时常出现异常跳动,去医院检查时,短时间的心电图无法捕捉到这些问题,医生建议进行24小时心电图监测,但这太耗时。
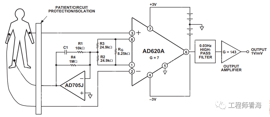
于是,我和徒弟决定自己动手设计心电采集电路。我们设计的电路包括差分放大、高通、陷波和低通功能,以提升信噪比并抑制共模干扰。电极配置采用经典的I导联方式,作用电极和参考电极分别放置在左右手腕上,为了便于操作,右腿驱动电极也靠近其中一个手腕放置。

通过这个电路,我们采集到了心电波形,采样率为1000Hz,记录了约250秒的数据。观察心电图,可以看到心脏跳动异常的时刻。我们截取了正常波形和异常波形,发现心电图中的QRS波提前跳动,这正是异常的表现。

我将这些心电图数据通过网络发送给了一位在线医生,医生诊断为室性早搏,这就解决了问题,避免了去医院进行昂贵的24小时心电图监测。医生建议我平时避免饮用浓茶、吸烟和饮酒,规律休息,保持良好的情绪。

通过这种方式,我不仅节省了时间和金钱,还成功地诊断了自己的心脏问题。各位工程师朋友们,是不是也学到了?

<< 上一篇
下一篇 >>
网友留言(0 条)