Nordic发布二代功耗测量套件Power Profiler Kit II,分辨率100nA,范围200nA到1A,更重要的是开源!
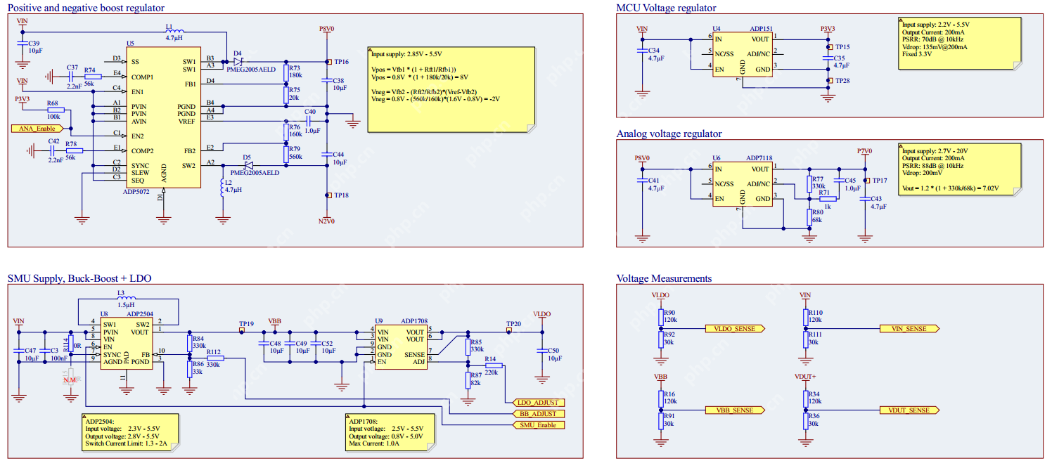
nordic发布的二代功耗测量套件power profiler kit ii,其设计难点主要集中在硬件方面。不过,nordic已将其完全开源,包括pcb、bom、gerber文件以及带有注释的原理图等。
PCA63100-Power Profiler Kit II - HW Files - 1_0_1.zip (11.39 MB) 规格:
效果:
值得一提的是,原理图上还提供了详细的注释,方便用户理解和使用。
此外,上位机的界面也得到了优化,提升了用户体验。

<< 上一篇
网友留言(0 条)